Beskrivelse
Et vinkelbeslag eller en vinkel er en metalplade, som normalt er lavet af stål eller aluminium, der bruges til at forstærke og stabilisere sammenføjninger mellem to materialer i en vinkel på 90 grader. Vinkler bruges typisk til møbler eller andre konstruktioner for at øge stabiliteten og styrken af forbindelsen. Vinkelbeslag kan enten være svejset eller skruet fast til de to materialer, der skal forbindes, og de kan købes i forskellige størrelser og typer afhængigt af, hvad vinklerne skal bruges til.
Dette er en fin, lille, ret solid vinkel, som kan bruges til mange forskellige møbelsamlinger.
Materialet er metal, som er elgalvaniseret.
Prisen er pr. stk.
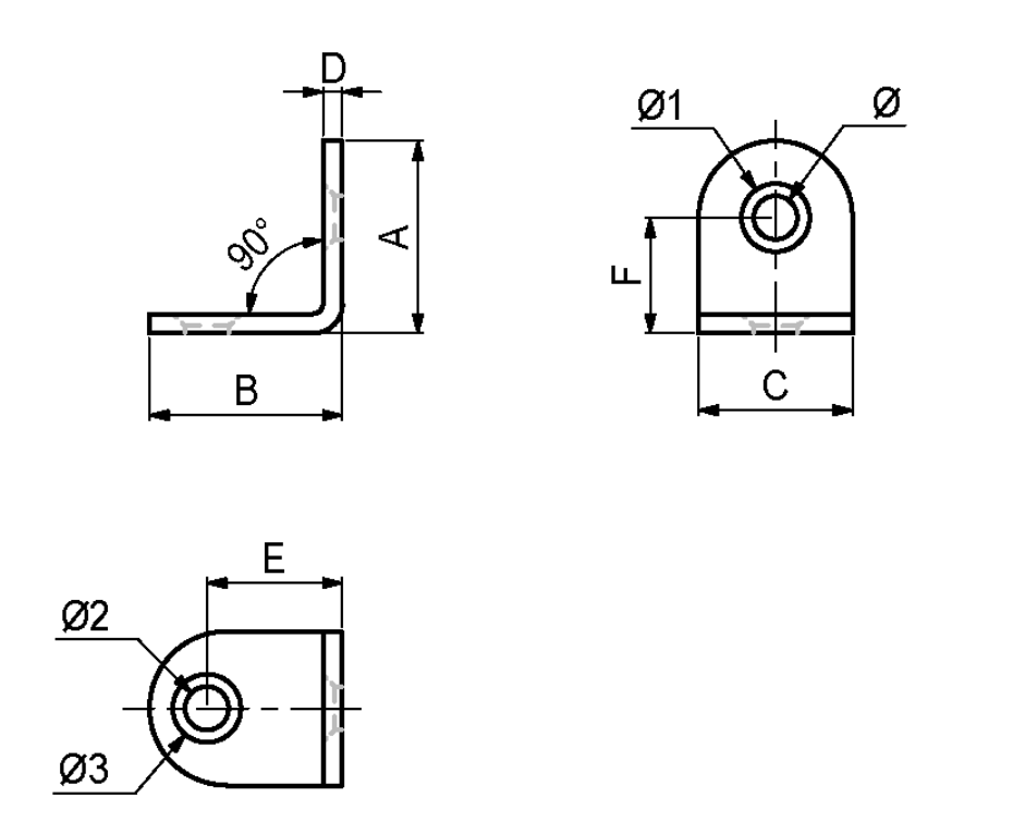
Mål:
A: 28 mm
B: 17 mm
C: 15 mm
D: 1,5 mm
E: 9 mm
F: 20 mm
Ø: 5 mm
Ø2: 7 mm
Der kan købes skruer til montering her:
https://www.beslagskassen.dk/collections/traeskruer
Du kan vælge en skrue med rundt hoved i en passende længde til vinklen afhængigt af, hvor tyk materialet er, som vinklen skal skrues fast på.
Rundhovede træskruer finder du her:
Til denne vinkel skal der bruges 2 skruer til at fastmontere 1 stk vinkel. Bemærk. Der er 2 forskellige størrelser huller i denne vinkel.
