Beskrivelse
Skinne til blandt andet understøtning og stabilisering af samlingen foran en vask, hvor der er minimalt plads.
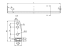
Denne skinne passer til et M60 skab - 60'er skab, som indvendigt måler ca. 567,5 mm i bredden.
L = 567,50 mm
Materialet er metal, som er hvidmalet (RAL 9010)
Prisen er pr. stk.
