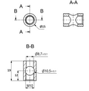
Samlebeslag M10 - Hus Ø15x19 mm + penol 12 mm, elgalvaniseret (sæt)

BeslagskassenSKU:1308269_313225

Pris:
Udsalgspris12,00 kr
Lager:
På lager
Afsendelse næste hverdag.
Afsendelse i dag?
Bestil inden00Time00Minut00Sekund

Beskrivelse

Sengebeslag kan være mange forskellige typer af beslag, som kan anvendes til en seng. Ofte er det beslag, som binder de forskellige dele sammen i en seng. Sengebeslag kan f.eks. forbinde sengerammen med hovedgærdet. Andre sengebeslag bruges til at holde sengebunden på plads med eller også bruges sengebeslag til at holde en madras på plads i sengen. 

Fælles for alle sengebeslagene er, at de hjælper med til at sikre, at sengen forbliver stabil og sikker, når man bruger den. Mange sengebeslag gør det også lettere at skille sengen ad igen, hvis man har behov for dette, hvis sengen skal flyttes.

Prisen er for 1 sæt, som består af 1 stk samlehus og 1 stk penolskrue.

Bemærk, at hullet i dette samlebeslag er forskudt.

Materialet er elgalvaniseret.

Se tegningerne for flere mål.

Relateret produkter

Du har tidligere set: