Beskrivelse
Indboringshængsler er hængsler som ofte bruges til ældre skabslåger i et køkken, hvor lågen er overfalset. Et indboringshængsel har blot den funktion, at lågen kan sættes på selve skabet og kan dreje, så lågen kan lukkes. Lågen skal fastholdes på anden vis – f.eks. med en magnet, da der ikke er fjeder i et indboringshængsel, så det lukker ikke lågen i, som skjulte skabshængsler med kophul gør det.
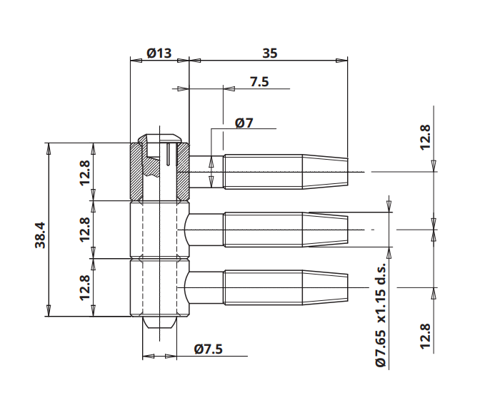
Montering af indboringshængsler er en forholdsvis simpel løsning. Indboringshængslets ene del skrues ind i lågen og den anden del skrues fast i selve skabssiden. Det er selve tapperne med riller, som skal skrues ind i henholdsvis lågen og skabssiden. De to dele samles ved, at handelen glider ned over hundelen, når lågen sættes på. Dette indboringshængsel er et 3-delt indboringshængsel, hvor 2 "ben" monteres i lågen og 1 "ben" monteres i skabssiden. Der medfølger en bøsning, som skal holde alle 3 "ben" sammen.
Materialet er metal, som er gulgalvaniseret.
Prisen er for 1 stk hængsel.
Max vægt på låge (med 2 stk indboringshængsler monteret): 20 kg
Mål:
Diameter på iskruningsdel: Ø7,5 mm
Gevindlængde på iskruningsdel:
Diameter på pyntedel: Ø13 mm
Total længde på pyntedel, når hængselsdelene er samlede: 38 mm
Der er flere mål på tegningen.
