Beskrivelse
Et vinkelbeslag eller en vinkel er en metalplade, som normalt er lavet af stål eller aluminium, der bruges til at forstærke og stabilisere sammenføjninger mellem to materialer i en vinkel på 90 grader. Vinkler bruges typisk til møbler eller andre konstruktioner for at øge stabiliteten og styrken af forbindelsen. Vinkelbeslag kan enten være svejset eller skruet fast til de to materialer, der skal forbindes, og de kan købes i forskellige størrelser og typer afhængigt af, hvad vinklerne skal bruges til.
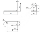
Denne vinkel har et stort hul i den ene ende, som bruges sammen med en skive, så der er mulighed for justering, når man monterer en køkkenbordplade.
Materialet er metal, som er elgalvaniseret
Prisen er pr. stk.
Mål:
Længde: 50 mm
Bredde: 20 mm
Tykkelse: 2 mm
Der er flere mål på tegningen.
Der kan købes skruer til montering her:
https://www.beslagskassen.dk/collections/traeskruer
Du kan vælge en skrue med rundt hoved i en passende længde til vinklen afhængigt af, hvor tyk materialet er, som vinklen skal skrues fast på.
Vi har vurderet, at den træskrue, som passer bedst til hullet, vil være denne, hvis du kan bruge en skrue med en længde på 16 mm - ellers vælg en anden længde skrue:
https://www.beslagskassen.dk/products/traeskrue-o3-0x16-mm-m-o6-hoved-elgalvaniseret-20-stk
Skruen ovenfor bruges til de 2 små huller i den ene plade på vinklen. Så der skal bruges 2 stk skruer til at montere den ene plade på denne vinkel.
Skrue størrelse til montering af den anden ende med det store hul afhænger af, hvor stor skiven er og hvor tyk materialet er. Men det er meningen, at man bruger en rundhovedet skrue samt en spændeskive, så bordpladen i massivtræ kan arbejde.
Men et forslag kunne være disse her skruer:
og denne her spændeskive:
https://www.beslagskassen.dk/products/13071390?variant=36262042730645
