Beskrivelse
Fint trekantet bordbensbeslag med gevind i midten, som kan bruges til både møbelben og spisebordben.
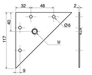
Bordbensbeslaget fås med M8 eller M10 gevind i midten, som du skal vælge ved bestilling. Gevindet er trukket igennem pladen som en slags møtrik.
Mål:
Se tegning - Gevindet betegnes som M på tegningen.
